水利部關于修訂印發水利技術標準復審細則的通知
水國科〔2021〕191號
部機關各司局,部直屬各單位,各省、自治區、直轄市水利(水務)廳(局),各計劃單列市水利(水務)局,新疆生產建設兵團水利局:
為貫徹落實《中華人民共和國標準化法》,進一步規范和加強水利標準化工作,加強標準實施與監督,依據《水利標準化工作管理辦法》(水國科〔2019〕112號)等有關規定,結合水利行業實際,我部對《水利技術標準復審細則》(水國科〔2010〕575號)進行了修訂。現將修訂后的《水利技術標準復審細則》印發給你們,請遵照執行。
各單位在實施過程中,應注意總結經驗,發現問題請及時函告水利部國際合作與科技司。
水利部
2021年6月25日
水利技術標準復審細則
第一章 總 則
第一條 為加強水利技術標準的實施與監督,規范水利技術標準復審工作,不斷提高水利技術標準的質量和技術水平,根據《中華人民共和國標準化法》《水利標準化工作管理辦法》(水國科〔2019〕112號)等有關規定,制定本細則。
第二條 本細則適用于《中華人民共和國標準化法》規定的應由水利部組織開展的水利技術標準的復審工作。
第三條 本細則所稱的標準復審是指對已發布的水利技術標準的名稱、功能定位、框架結構、適用范圍、主要技術內容、技術水平、實施效果等進行復查和審議,形成復審結論。
第四條 水利技術標準實施5年應進行復審。水利技術標準實施未滿5年,但屬于下列情況之一的,應當及時進行復審:
(一)不適應黨中央、國務院重大決策部署和國家發展戰略;
(二)不符合現行法律法規和強制性標準的相關技術要求;
(三)不滿足水利行業管理發展的需要;
(四)不利于新技術、新方法、新工藝、新材料的推廣應用;
(五)所引用的相關技術標準已修訂發布或者廢止;
(六)其他需要復審的原因。
第二章 復審程序及方法
第五條 水利技術標準的復審工作分為初審和終審兩個階段。
第六條 初審階段的主要程序應符合下列規定:
(一)水利標準化工作的主管機構(以下簡稱主管機構)委托社會第三方(有關企事業單位、社會團體等)對列入初審范圍的水利技術標準,通過現場、網絡、電話、調查問卷等方式對實施情況廣泛征求意見,形成初審結論建議。
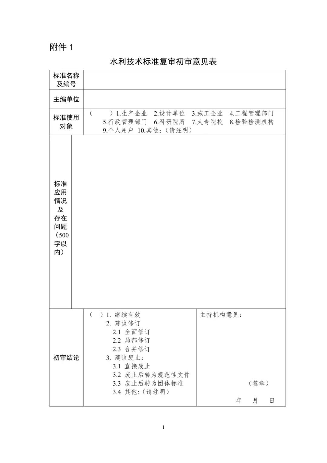
(二)主管機構將初審結論建議反饋給水利技術標準的主持機構(以下簡稱主持機構)進行審核確認,主持機構將確認后的《水利技術標準復審初審意見表》(見附件1)報主管機構。
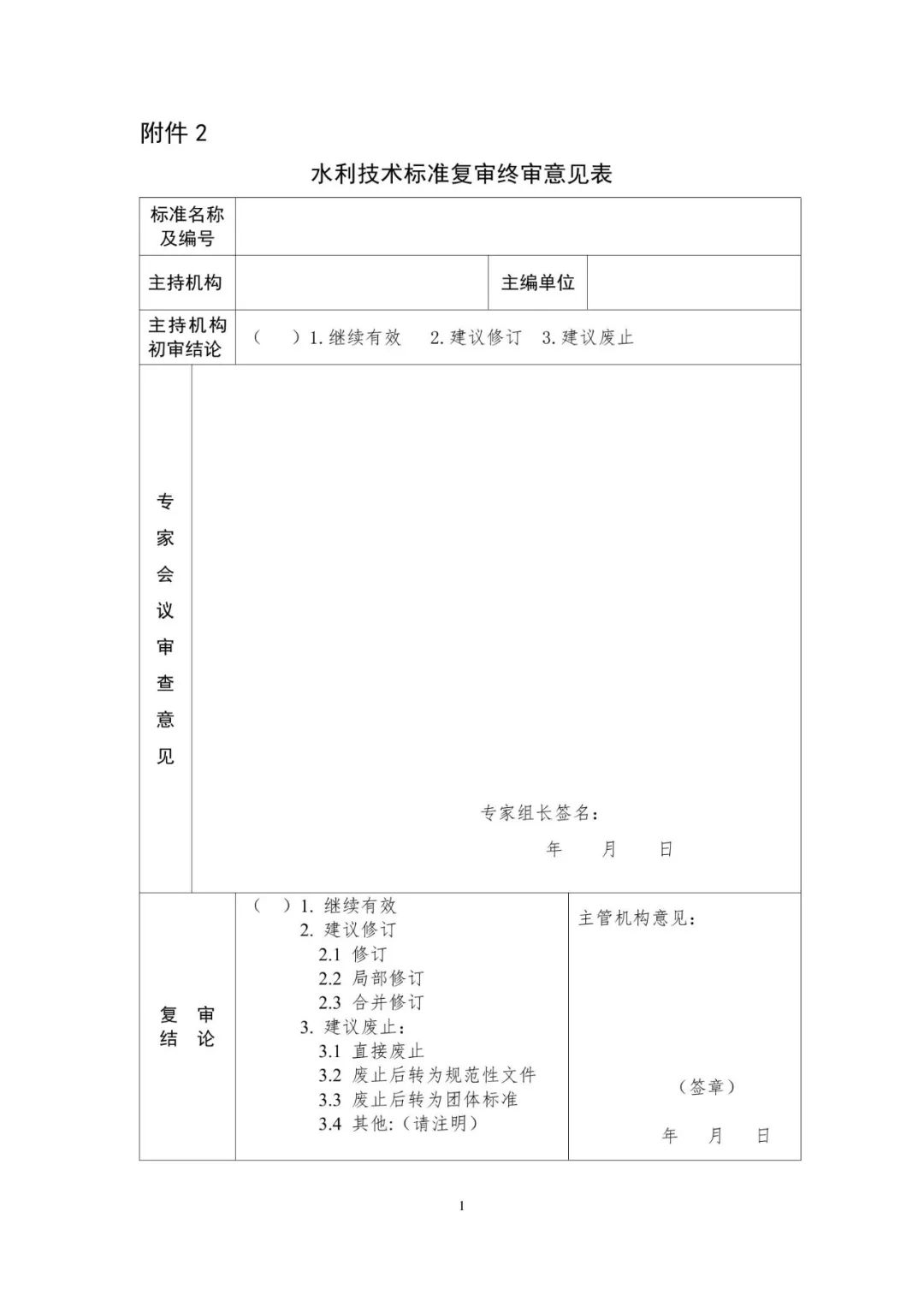
第七條 終審階段的主要程序應符合下列規定:主管機構組織專家召開初審結論審查會,形成標準復審的終審意見,填報《水利技術標準復審終審意見表》(見附件2),并將終審意見通知主持機構。
第八條 復審專家應具有高級技術職稱和較強的業務能力,具有從事相關領域技術標準的編制或審查經驗。可由下列不同類別的人員組成:
(一)水利標準化工作專家委員會成員;
(二)水利科技專家庫專家;
(三)標準使用單位的代表;
(四)其他標準化相關業務專家。
第三章 復審結論及處理
第九條 標準復審結論分為繼續有效、建議修訂和建議廢止三種情況。
第十條 水利技術標準的名稱、功能定位、框架結構、適用范圍、主要技術內容等仍然適用,不需要進行任何修改,應給予繼續有效的復審結論。經復審確認繼續有效的水利技術標準將根據具體實施情況,列入以后年度復審范圍。
第十一條 水利技術標準的技術內容、框架結構、技術指標等與實際需求不完全適用,或需要與其他水利技術標準進行合并的,應提出建議修訂的結論。修訂主要包括全面修訂、局部修訂和合并修訂等。
第十二條 水利技術標準已無繼續存在的必要或不宜再以國家或行業標準形式進行規定時,應提出建議廢止的結論。廢止主要包括直接廢止、廢止后轉為規范性文件或轉為團體標準等。因其他原因需要廢止的,應在初審和終審結論中予以說明。
第十三條 水利技術標準復審結論按照以下方式處理:
(一)建議修訂的行業標準,可納入標準制修訂年度計劃;
(二)建議廢止的行業標準,廢止生效時間由主管機構提出并報水利部批準后,以水利部公告的形式予以公布;
(三)國家標準復審情況應由主管機構按程序報送國務院標準化行政主管部門或國務院授權的國家標準管理部門。
第四章 保障措施
第十四條 主管機構和主持機構應當高度重視標準復審工作,履行相關工作職責,將水利技術標準復審工作納入年度工作計劃。
第十五條 標準管理和使用單位應逐步完善標準實施信息反饋機制,有效支撐復審工作,確保復審結論的科學性。
第十六條 復審工作所需經費應列入年度預算。
第五章 附 則
第十七條 本細則自發布之日起施行。2010年12月水利部發布的《水利技術標準復審細則》(水國科〔2010〕575號)同時廢止。
附件1:水利技術標準復審初審意見表
附件2:水利技術標準復審終審意見表









2025-05-19
13160
4006-258-995